AK550alf Publicado 15 de Enero del 2018 Compartir Publicado 15 de Enero del 2018 Hola a todos de nuevo. Ahora que ya me he presentado siguiendo los protocolos del foro, me gustaria plantear si alguno ha instalado el mando del garaje en la AK550 para abrir con las luces de ráfaga. Si es así, Cabe debajo del plástico de la maneta izqda? Alguien sabe donde me lo pueden instalar en Madrid? Espero estar en el subforo adecuado para plantear este tema. Muchas gracias Enlace al comentario Compartir en otros sitios web More sharing options...
abhang Publicado 15 de Enero del 2018 Compartir Publicado 15 de Enero del 2018 En la Categoría Bricos y Tutoriales, hay uno donde se explica la instalación, aunque no es de la AK. Enlace al comentario Compartir en otros sitios web More sharing options...
Patxicla Publicado 15 de Enero del 2018 Compartir Publicado 15 de Enero del 2018 Hace 1 hora, AK550alf dijo: Hola a todos de nuevo. Ahora que ya me he presentado siguiendo los protocolos del foro, me gustaria plantear si alguno ha instalado el mando del garaje en la AK550 para abrir con las luces de ráfaga. Si es así, Cabe debajo del plástico de la maneta izqda? Alguien sabe donde me lo pueden instalar en Madrid? Espero estar en el subforo adecuado para plantear este tema. Muchas gracias Hola: Yo lo he instalado en la AK. Bueno más bien, aprovechando la revisión de los 1.000 Km. lo mandé instalar en el concesionario. Me cobraron 50 euros y no sé donde lo han colocado pero no está visible. Imagino que por dentro, debajo de la cúpula. Funciona muy bien y es muy cómodo. El mando es sí, me costó 55 euros. y me dejaron un aparato para poder probarlo primero antes de instalarlo. Saludos Enlace al comentario Compartir en otros sitios web More sharing options...
AK550alf Publicado 15 de Enero del 2018 Autor Compartir Publicado 15 de Enero del 2018 Gracias Patxicla por la info. En el concesonario donde compre la AK (que tb tenian taller propio) no habian oido hablar de poner el mando, que creo que es super util, comodo y mas para una moto que no tienes que sacar la llave del bolsillo. Probaré a llamar algun otro taller de la zona.. Enlace al comentario Compartir en otros sitios web More sharing options...
solera99 Publicado 15 de Enero del 2018 Compartir Publicado 15 de Enero del 2018 Yo también me plantee el instalar el mando del garaje con las ráfagas de largas. Pero al final, vi demasiados problemas... desmontar todo, ocultarlo bien, cuando se gaste la batería... que? Opté por comprar un mando, y con cinta de doble cara de la marca 3M (nada de chinos) lo pegué en la parte superior de la guantera. Sencillo, fácil y económico. Enlace al comentario Compartir en otros sitios web More sharing options...
AK550alf Publicado 15 de Enero del 2018 Autor Compartir Publicado 15 de Enero del 2018 Hola Solera99, tengo entendido que no hace falya la pila. La moto va a 12V igual que el mando asi que seria quitando la bateria y conectandolo directamente a las luces de rafaga. Al menos el tutorial asi lo muestra Enlace al comentario Compartir en otros sitios web More sharing options...
jotatgn6 Publicado 15 de Enero del 2018 Compartir Publicado 15 de Enero del 2018 Se tendría que poner un interruptor a parte también no? Más que nada porque si usas mucho las largas le estas dando xixa al mando todo el rato. . Enlace al comentario Compartir en otros sitios web More sharing options...
SerchAK Publicado 15 de Enero del 2018 Compartir Publicado 15 de Enero del 2018 Se tendría que poner un interruptor a parte también no? Más que nada porque si usas mucho las largas le estas dando xixa al mando todo el rato. . No compi, se acciona mediante las ráfagas. Desde mi SM-G935F Enlace al comentario Compartir en otros sitios web More sharing options...
ugena44 Publicado 15 de Enero del 2018 Compartir Publicado 15 de Enero del 2018 por si os sirve de algo, yo tengo puesto dos botones. Enlace al comentario Compartir en otros sitios web More sharing options...
Patxicla Publicado 16 de Enero del 2018 Compartir Publicado 16 de Enero del 2018 El mando va sin pila, alimentado por la propia corriente de 12 V de la moto. Hay dos modelos de mandos, según me explicaron. Uno más sencillo que cada vez que está accionado el botón asociado (de ráfagas, de largas, o el que se haya elegido para esa función) se activa. Y otro un poco más caro, que es el que puse yo, que la activación del mando del garaje solo permanece activa durante 2 segundos, suficiente para abrir o cerrar la puerta, pero eficaz para no tener siempre el mando activado. Así puedes ir con la ráfaga o las largas todo el tiempo que quieras que el mando se desconecta al cabo de 2 segundos. Saludos Enlace al comentario Compartir en otros sitios web More sharing options...
filantropo Publicado 16 de Enero del 2018 Compartir Publicado 16 de Enero del 2018 buen aporte, en cuanto me entreguen mi negrita, lo pongo seguro y os cuento. Enlace al comentario Compartir en otros sitios web More sharing options...
jorge206 Publicado 17 de Enero del 2018 Compartir Publicado 17 de Enero del 2018 En 15/1/2018 en 16:17 , solera99 dijo: Yo también me plantee el instalar el mando del garaje con las ráfagas de largas. Pero al final, vi demasiados problemas... desmontar todo, ocultarlo bien, cuando se gaste la batería... que? Opté por comprar un mando, y con cinta de doble cara de la marca 3M (nada de chinos) lo pegué en la parte superior de la guantera. Sencillo, fácil y económico. A si lo llevo yo también, cambias de moto y te llevas el mando. Enlace al comentario Compartir en otros sitios web More sharing options...
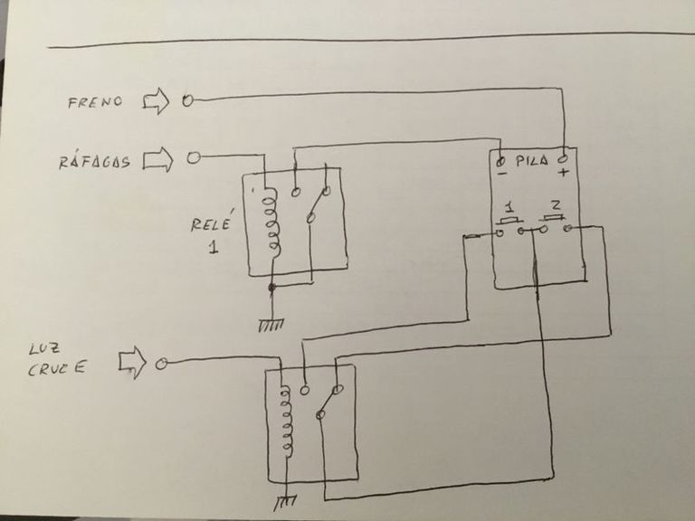
MiguelH Publicado 27 de Enero del 2018 Compartir Publicado 27 de Enero del 2018 Pues yo en mi SD125 le puse en el manillar el mando del garaje y lo acciono al activar el freno y la ráfaga simultáneamente, según la figura de un solo relé. Su funcionamiento es sencillo. Hay que quitar la pila y cortocircuitar el pulsador internamente. El mando se activará al pulsar el freno (damos el positivo al mando) y una vez con el freno pulsado damos a las ráfagas, lo que activará el relé y, con ello la masa del mando. Cuando me cambiaron la puerta a una con semáforo, tenía dos botones diferenciados para entrar o salir. Tuve que añadir otro relé para seleccionar un botón u otro. Ese esquema es el de la imagen con los dos relés. En ese caso no hay que cortocircuitar los botones, ya que será el segundo relé el que se encargue de cerrar un pulsador u otro. La selección de botón la hacemos con La Luz de cruce. Al salir del garaje y con ella apagada tendremos seleccionado el botón de salir. Cuando vayamos a entrar, lo lógico es que ya llevemos La Luz de cruce encendida, por lo que irá activo el pulsador 2, y con ello, al frenar y dar las ráfagas se abrirá la puerta para entrar. Al leerlo puede parecer complicado pero analizando un poco los circuitos vereis que no es tan complicado y se puede montar una mañana. Saludos EDITO: En la SD hay que encender expresamente la luz de cruce y puedo seleccionar tenerla apagada/encendida pero en la AK (estoy esperando que me la entreguen y ya estoy investigando) la luz de cruce se enciende por defecto y no se puede apagar por lo que tendré que ver la forma de seleccionar el botón de salir y entrar al garaje de otra manera. Ya contaré la solución adoptada si la encuentro. Enlace al comentario Compartir en otros sitios web More sharing options...
Nigromante Publicado 27 de Enero del 2018 Compartir Publicado 27 de Enero del 2018 Hace 53 minutos , MiguelH dijo: Pues yo en mi SD125 le puse en el manillar el mando del garaje y lo acciono al activar el freno y la ráfaga simultáneamente, según la figura de un solo relé. Su funcionamiento es sencillo. Hay que quitar la pila y cortocircuitar el pulsador internamente. El mando se activará al pulsar el freno (damos el positivo al mando) y una vez con el freno pulsado damos a las ráfagas, lo que activará el relé y, con ello la masa del mando. Cuando me cambiaron la puerta a una con semáforo, tenía dos botones diferenciados para entrar o salir. Tuve que añadir otro relé para seleccionar un botón u otro. Ese esquema es el de la imagen con los dos relés. En ese caso no hay que cortocircuitar los botones, ya que será el segundo relé el que se encargue de cerrar un pulsador u otro. La selección de botón la hacemos con La Luz de cruce. Al salir del garaje y con ella apagada tendremos seleccionado el botón de salir. Cuando vayamos a entrar, lo lógico es que ya llevemos La Luz de cruce encendida, por lo que irá activo el pulsador 2, y con ello, al frenar y dar las ráfagas se abrirá la puerta para entrar. Al leerlo puede parecer complicado pero analizando un poco los circuitos vereis que no es tan complicado y se puede montar una mañana. Saludos Muy buena idea y muy sencillo de hacer además, me gusta mucho esa instalación y creo que la voy a copiar, gracias. Enlace al comentario Compartir en otros sitios web More sharing options...
AK550alf Publicado 29 de Enero del 2018 Autor Compartir Publicado 29 de Enero del 2018 En 27/1/2018 en 14:10 , MiguelH dijo: Pues yo en mi SD125 le puse en el manillar el mando del garaje y lo acciono al activar el freno y la ráfaga simultáneamente, según la figura de un solo relé. Su funcionamiento es sencillo. Hay que quitar la pila y cortocircuitar el pulsador internamente. El mando se activará al pulsar el freno (damos el positivo al mando) y una vez con el freno pulsado damos a las ráfagas, lo que activará el relé y, con ello la masa del mando. Cuando me cambiaron la puerta a una con semáforo, tenía dos botones diferenciados para entrar o salir. Tuve que añadir otro relé para seleccionar un botón u otro. Ese esquema es el de la imagen con los dos relés. En ese caso no hay que cortocircuitar los botones, ya que será el segundo relé el que se encargue de cerrar un pulsador u otro. La selección de botón la hacemos con La Luz de cruce. Al salir del garaje y con ella apagada tendremos seleccionado el botón de salir. Cuando vayamos a entrar, lo lógico es que ya llevemos La Luz de cruce encendida, por lo que irá activo el pulsador 2, y con ello, al frenar y dar las ráfagas se abrirá la puerta para entrar. Al leerlo puede parecer complicado pero analizando un poco los circuitos vereis que no es tan complicado y se puede montar una mañana. Saludos Muchas gracias Miguel, lo que pasa es que me han dicho que con la AK550 se complica un poco mas el tema y es que las luces al ser de led no van a 12v y hay que ir a buscar donde estan las luces de rafaga a 12v. Alguien sabe si esto es asi? Enlace al comentario Compartir en otros sitios web More sharing options...
Publicaciones recomendadas
Archivado
Este tema ahora está archivado y cerrado a otras respuestas.