NeNu Publicado 12 de Noviembre del 2013 Compartir Publicado 12 de Noviembre del 2013 Buenas tardes gracias de antemano. Hace un mes estrené mi moto, y hace unos días empezó a hacer un ruido extraño, como un Tac Tac Tac. Lo llevé al concesionario Kymco donde la compré, y la remitieron inmediatamente a Kymco BCN, para que la avería fuera solucionada con la garantía. Me han contestado exactamente esto desde el taller oficial: El ruido proviene de un cojinete del árbol de levas y calculamos tener el recambio aquí el miércoles para proceder a la substitución en garantía. La verdad es que estoy preocupada porque no entiendo de motos, no sé si es una avería grave, si a partir de ahora va a ser un rollo y cada dos por tres al taller... o si ha sido mala suerte y con el cambio de la pieza irá como la seda. ¿Alguien me podría asesorar? Muchas gracias de nuevo! Enlace al comentario Compartir en otros sitios web More sharing options...
kymcong Publicado 12 de Noviembre del 2013 Compartir Publicado 12 de Noviembre del 2013 Toda averia que te salga, que sea ahora que la tienes en garantia. No te preocupes y asta que no este bien que no te la den. Tranquila que no estaras cada dos por tres en el taller, es una buena moto. Un saludo. Enlace al comentario Compartir en otros sitios web More sharing options...
ximorrys Publicado 12 de Noviembre del 2013 Compartir Publicado 12 de Noviembre del 2013 sinceramente lo que me extraña un poco es lo del cojinete, en los coches los cojinetes se montan en bancada y bielas pero jamas monte uno en los arboles de lebas. Pide que te enseñen la pieza, si el ruido viene por desgaste pregunta el porque? flata de engrase en esa zona de la culata , de ser asi pregunta si te han cambiado todos los cojinetes del arbolde lebas y no solo uno. Pregunta si el resto de apollo no han sufrido desgaste es decir culata y arbol de levas. Y no estae nerviosa por lo q cuentas tiene pinta de ser alguna rebaba q se quedo en produccion y te hizo la pascua, Enlace al comentario Compartir en otros sitios web More sharing options...
Mito Publicado 13 de Noviembre del 2013 Compartir Publicado 13 de Noviembre del 2013 Hola Nenu, por favor pasare por presentaciones. saludos http://www.forokymco.es/index.php/foro/113-presentaciones-de-nuevos-usuarios Enlace al comentario Compartir en otros sitios web More sharing options...
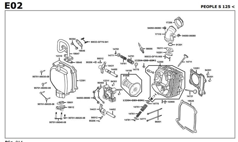
Mito Publicado 13 de Noviembre del 2013 Compartir Publicado 13 de Noviembre del 2013 El arbol de levas ¿lleva un cojinete? :shock: a ver... os pongo el dibujo de la culata de la agility city y a ver si me podeis señalar cual es el cojinete. Enlace al comentario Compartir en otros sitios web More sharing options...
ximorrys Publicado 13 de Noviembre del 2013 Compartir Publicado 13 de Noviembre del 2013 El arbol de levas ¿lleva un cojinete? :shock: a ver... os pongo el dibujo de la culata de la agility city y a ver si me podeis señalar cual es el cojinete. [attachment=23790]Sinttulo-1.jpg[/attachment] je je je Lo que yo decia... Eres un crak Mito. Gracias por despejar la duda. Ahora esta el tema en ese "cojinete" que hace ruido. Pide las piezas y un informe de la reparacion. Las piezas no te las daran ya q es en garantia . Pero el informe detallado de la reparacion si puedes pedirlo. Menudos espavilaos!! Enlace al comentario Compartir en otros sitios web More sharing options...
ximorrys Publicado 13 de Noviembre del 2013 Compartir Publicado 13 de Noviembre del 2013 Porcierto mito tu me podrias indicar de donde puedo conseguir el despiece motor de la mia (sd 300 abs) gracias Enlace al comentario Compartir en otros sitios web More sharing options...
Fixed Publicado 13 de Noviembre del 2013 Compartir Publicado 13 de Noviembre del 2013 Lo siento, pero sí que lleva rodamientos aunque no esté descrito en el despiece. Como mínimo debería llevar un par de casquillos de fricción, y si lo hacen bien, dos rodamientos de bolas, como es el caso. Enlace al comentario Compartir en otros sitios web More sharing options...
Fixed Publicado 13 de Noviembre del 2013 Compartir Publicado 13 de Noviembre del 2013 ximorrys, despiece de la SD300ABS: http://www.recambios-kymco.com/pdf/SUPER-DINK-300i_SK60AA.pdf Enlace al comentario Compartir en otros sitios web More sharing options...
Invitado conan Publicado 13 de Noviembre del 2013 Compartir Publicado 13 de Noviembre del 2013 En la cuna, tanto en la parte baja como en la alta lo que suelen llevar son unos casquillos, y supongo que sera eso lo que le ha dicho el mecanico que esta mal, no he visto nunca rodamientos de bolas en un arbol de levas de una moto aunque si de agujas. Enlace al comentario Compartir en otros sitios web More sharing options...
Fixed Publicado 13 de Noviembre del 2013 Compartir Publicado 13 de Noviembre del 2013 Los casquillos suelen ponerse cuando se necesitan puntos de apoyo intermedios en una pieza que no permite insertar un rodamiento. Estos árboles son para dos levas, y por lo tanto cortos, con lo que con dos apoyos en cada extremo tienen suficiente. Lo mas sencillo es poner dos rodamientos, mejor que dos casquillos. Como trabajan con cargas radiales, lo suyo son unos rodamientos de rodillos como dice Conan, pero en estas motos supongo que los de bolas al ser mas baratos es lo que montan. En el despiece de la People está mejor especificado: pieza 91008: Rodamiento de bolas radial. Enlace al comentario Compartir en otros sitios web More sharing options...
ximorrys Publicado 13 de Noviembre del 2013 Compartir Publicado 13 de Noviembre del 2013 ximorrys, despiece de la SD300ABS: http://www.recambios-kymco.com/pdf/SUPER-DINK-300i_SK60AA.pdf muchas gracias !! Enlace al comentario Compartir en otros sitios web More sharing options...
ximorrys Publicado 14 de Noviembre del 2013 Compartir Publicado 14 de Noviembre del 2013 Fixed , no quisiera abusar pero me podrias indicar donde puedo conseguir el esquema electrico de la sd 300 abs. gracias. Si te puedo ayudar en algo... Enlace al comentario Compartir en otros sitios web More sharing options...
Fixed Publicado 14 de Noviembre del 2013 Compartir Publicado 14 de Noviembre del 2013 Hola Ximorrys, a ver si esto te vale: http://www.kymco.it/media/schede/allegati/Downtown%20300i/impianto.pdf en Italia y el resto del mundo la SD se llama Downtown, espero que te sirva. saludos Enlace al comentario Compartir en otros sitios web More sharing options...
ximorrys Publicado 14 de Noviembre del 2013 Compartir Publicado 14 de Noviembre del 2013 Hola Ximorrys, a ver si esto te vale: http://www.kymco.it/media/schede/allegati/Downtown%20300i/impianto.pdf en Italia y el resto del mundo la SD se llama Downtown, espero que te sirva. saludos Porsupuesto que me vale, muchas gracias. Lo dicho si te puedo echar una mano en algo... No lo dudes Lo dicho agradecido Enlace al comentario Compartir en otros sitios web More sharing options...
Mito Publicado 14 de Noviembre del 2013 Compartir Publicado 14 de Noviembre del 2013 El arbol de levas ¿lleva un cojinete? :shock: a ver... os pongo el dibujo de la culata de la agility city y a ver si me podeis señalar cual es el cojinete. [attachment=23790]Sinttulo-1.jpg[/attachment] je je je Lo que yo decia... Eres un crak Mito. Gracias por despejar la duda. Ahora esta el tema en ese "cojinete" que hace ruido. Pide las piezas y un informe de la reparacion. Las piezas no te las daran ya q es en garantia . Pero el informe detallado de la reparacion si puedes pedirlo. Menudos espavilaos!! Je je je, el crack eres tú, que sabes un monton. Pues ya está explicado, le han dicho "cojinete" pero no se llama asi je je je. Bueno, pues ya tienes el despiece :okey Enlace al comentario Compartir en otros sitios web More sharing options...
NeNu Publicado 26 de Enero del 2014 Autor Compartir Publicado 26 de Enero del 2014 Hola de nuevo, Vuelve a sonar el "tac tac"... Será lo mismo otra vez? Esta vez pediré el informe de la reparación, y el antiguo también... La verdad es que es un rollo... La moto tiene 4 meses... :cry: Enlace al comentario Compartir en otros sitios web More sharing options...
Publicaciones recomendadas
Archivado
Este tema ahora está archivado y cerrado a otras respuestas.