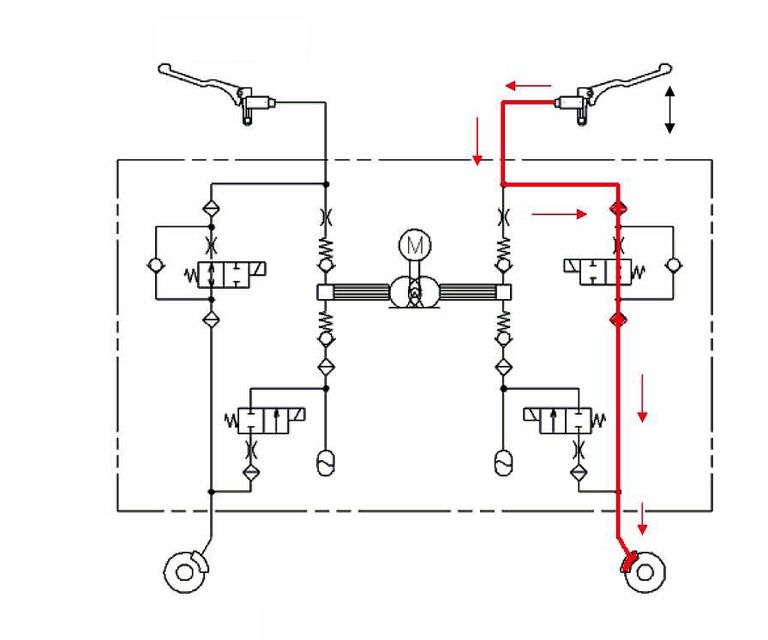
bautis Publicado 24 de Marzo del 2014 Compartir Publicado 24 de Marzo del 2014 Freno delantero, ABS desactivado Freno delantero, ABS activado Con el freno trasero, el esquema se repite Enlace al comentario Compartir en otros sitios web More sharing options...
carlos230497 Publicado 24 de Marzo del 2014 Compartir Publicado 24 de Marzo del 2014 Muy útil para el que necesite un croquis rápido :okey Enlace al comentario Compartir en otros sitios web More sharing options...
Publicaciones recomendadas
Archivado
Este tema ahora está archivado y cerrado a otras respuestas.